Our calculationis totally dependent on the accuracy of the information you will supply. PLEASE DO NOT GUESS. Our calculation / recommendation should be considered as estimate only which may require further adjustments depending upon the result of actual operation.
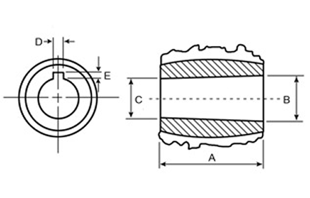
(In case there is no existing propeller, aperture can be determined by measuring from the shaft center. Please refer to drawing above).
Aperture clearance of both PTH and PTS should be atleast 10% of the outside diameter of the propeller.